설비 8계통(체결)삼성
니들 8계통은 알고 일하는 거니??
기술자 놈
안녕하세요.
오늘은 8계통에 대해 알아 보겠습니다.
8계통은 자동화에서 많이 들을 수
있는 용어 입니다.
삼성에서 자신들만의 룰을 만들어
놓은 부분이 8계통이란 것입니다.
이제는 8계통이 자동화에서는 규칙
처럼 되어 모두가 적용하고 있습니다.
8계통에 대해 자세히 알아 보겠습니다.
8계통
1. 체결
2. 윤활
3. 구동
4. 전달
5. 공압
6. 전장
7. 제어
8. 계장
위의 8가지 항목들이 검사 기준 및 체크
리스트 사항들이 되는 부분 입니다.
체결은 말 그대로 볼트 및 각각의 부품들의
체결 상태를 확인하는 부분입니다.
모든 부분은 육안 검사 및 계측기
검사를 통해 확인을 합니다.
체결의 체크사항
1. 미체결, 체결풀림, 볼트방치가 없어야 함
※ Bolt & Nut 미체결 및 볼트머리,
탭 손상여부 확인.
① Bracket 체결은 최소 2곳 이상 체결.
② 모든기구물/부품은 FRAME등 설비에
부착고정되어야함.

체결 순서
※ Cover등 동일부위에는 동일
규격의 볼트체결
※ Bolt 체결력(풀림/구동부Torque)
및 접착제 체결정도
① 표준Torque는 메뉴얼에 명시되어야 함
※ Bolt & Nut(이물질) 방치 및
표준화 볼트체결
① Tap Bolt의 적정 체결 깊이는
기준은 세부기준표-9 준수
※ 미사용 Tap Hole 막음처리, Bolt
또는 End Cap 마감 처리
① 스티커불가 / Bolt 체결시 Washer
사용無 / I-Mark 표기無

2.풀림방지(전체) Spring/Plain Washer 적용
※ Bolt 풀림방지위해 체결Bolt
와셔사용/미사용부 접착제사용.
① 필체결 : 구동부, 챔버, 기초볼트(Foot Bar), CAM Follower
② Spring와셔밀착체결

밀착된 방향성

와셔가 면에 밀착된 상태
③ Washer 미체결 Point는 기술적
근거자료를 사전제출.
※ air Hose는 전용Cutter를 이용 절단하여
전면이 90도 되어야함.
※ Flat(Plate) Washer는 방향에 주의
① 매끈하고 라운드 부분이 모재
쪽으로 향하도록 함.
※ 압입핀은 수직장착되어야 하고 핀과
고정면에 흠집 없어야 함.
※ Washer 일체형 Nut는 단순 Cover류
등에만 사용, 분해 조립 및
정밀도가 요구되는 곳에 사용해서는 안됨.
3. 모재와 재질이 다른볼트 사용금지
※ 일반적으로 모재와 동일한 재질의
Bolt를 사용해야 함.
① 열팽창계수의 차이로 인한 변형 방지.
② 모재의 재질이 다른 Bolt 사용시
동일 재질의 Heli Coil 적용.
③ 열이 발생하지 않는 부분의 PVC같은
수지계열은 모재와 Screw가 모두 수지
계열이면 동일한 소재로 인정.
4. 볼트체결방향 (구동부/챔버등 중요부분)
※ NUT가 있는 Bolt 체결은 아래에서
위방향 (Nut 上, Bolt Head 下)
① Head가 위쪽이면 진동에 의해 풀
려도 확인이 어려움.
5. I-Mark 표식 (구동부 중요부품, Door제외)
※ 체결 풀림 상태 점검을 위해 I-Mark 실시함.
① 구동부,기초 Bolt, Leveling Bolt,
지진방지 Bracket,각종 Fitting류 등.
② 색깔구분하지 않음/Process Chamber,
Cover류, Particle우려시 제외.
③ 장공부분에 대한 I-MARK 표시.
※ I-Marking 전용 Pen사용.
① 볼트 체결후 I-Mark시 레지록 같은
본드 Type은 사용금지.
(향후 굳어서 작은 충격에 떨어져
Particle 유발)
② Cleaning時 WD40, 알코올사용
(이후 기름성분 완전제거)
6. 기초볼트체결 및 지진방지브라켓
표준토크적용.
※ 기초볼트는 표준Torque를 적용하여
고정되었는지 확인.
① 표준Torque로 체결
(렌치, 스패너를 사용할 것)
※ 지진방지 BRACKET을 설치하여
표준Torque적용.
① 내진설계가 되어있는 라인의 설비는 예외.
※ 풀림 방지를 위한
Spring Washer와 Flat(Plate) Washer를 사용

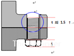
7. 볼트나사산의 돌출길이
※ 나사부의 돌출 길이는 Tapper 부분
제외하고, 나사산 3개가 돌출.
① PLATE의 TAP두께가 NUT두께
보다 “ t “의 1.5배 이상 체결 되면
돌출 되지 않아도 됨.
※ BOLT 돌출로 인한 Cable 손상우려
및 안정성 위험 부분은 캡 NUT사용.
8. 표준 Torque 적용
※ Bolt는 직경과 재질에 따라 표준
Torque가 정해져 있음.
① SEMI 기준의 표준 Torque를 준수,
Torque렌치를 사용.
② Torque측정기는 정기적인 교정이
되어야함(신뢰성확보)




위의 사항 들이 기본적인 체결에
대한 체크리스트 사항이
될 수 있습니다.
장비 조립의 기초가 되는 부분입니다.
아무것도 모르는 초보자들이 조립일을
조금 해보고 아주 쉽다고 생각하고
별거 없다고 생각 합니다.
하지만 제대로 한다면 조립도 생각보단
쉬운 일은 아닙니다.
자동화 업계에서 초보자도 일반적인
시급 보다 급여가 높습니다.
그 이유는 위의 같은 사항들을 초보자들이
숙지하고 진행하셔야 원활한 일이 진행
되기때문에 조금이라도 급여가 높은
것입니다.
별거 없네가 아닙니다.
정말 별거 있으면서 할 수록
어려운 일입니다.
오늘은 8계통 중 체결에 대해 알아 보았습니다.
오늘도 엔지니어 지식이 +1되었습니다.
#설비8계통
#전기
#전기제어
#전기설비
#전기안전
#전기배전
#전기기술
#전기계전
#전기설계
#전기공사
#기계
#기계설비
#기계제어
#기계안전
#기계자동화
#기계설계
#기계시스템
#기계공사
#산업용로봇
#자동화
#자동화설비
#자동화기술
#자동제어
#자동제어기술
#자동제어시스템
#제어
#제어시스템
#제어기술
#설비유지보수
#설비점검